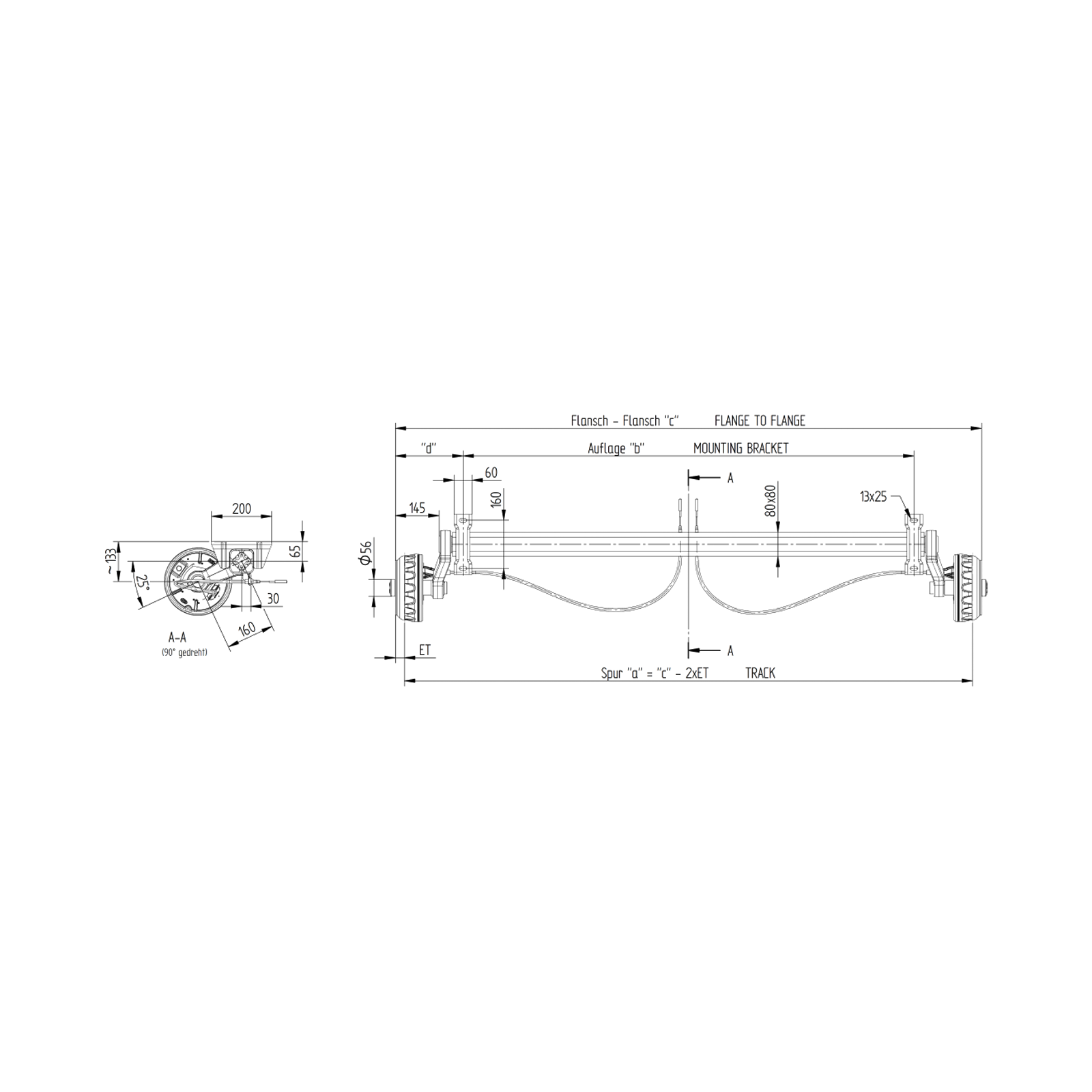
KNOTT Bremsachse VGB13-M, 1350 kg, RB 20-2425/1 AM: 1000 mm, FM: 1450 mm, Vkt. 80 mm, Ans.: 112/5

Produktbewertung schreiben
[Zuerst anmelden um den Preis zu sehen]
12000
1 Artikel
Um einzukaufen bitte zuerst anmelden

Dieses Produkt kann nicht Ihrem
Warenkorb hinzugefügt werden weil Sie nicht angemeldet sind.

Verkäufer dieses Produkts

Lieferant Verfügbarkeit Preis  
Bünte Marketplace GmbH
1 Artikel
[Zuerst anmelden um den Preis zu sehen]
Um einzukaufen bitte zuerst anmelden

Dieses Produkt kann nicht Ihrem
Warenkorb hinzugefügt werden weil Sie nicht angemeldet sind.

Eigenschaften

Auflagemaß (mm):
1000
Bockbreite (mm):
60
Bockhöhe (mm):
25
Bocklänge (mm):
200
Flanschmaß (mm):
1450
Lochabstand (mm):
160
Schwinghebellänge (mm):
160
Vierkant (mm):
80
Zulässige Achslast (kg):
1350

Kundenmeinungen

Keine Bewertungen gefunden