Bitte melden Sie sich an, damit wir Sie über eine Antwort benachrichtigen können
        
        
    Verkäufer dieses Produkts
Beschreibung
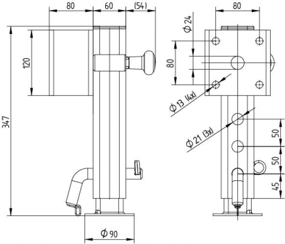
BÜNTE Stützfuß, schwenkbar, Vkt. 60 x 345 mm,  3-stufig, mit Steckbolzen/Kette, Flansch,  Flanschabstand 80 mm, max. 200 mm ausziehbar, Stützlast 1300 kg, für EDUARD
                            
            Eigenschaften
Höhe (mm):
        
        345
        Material:
        
        Stahl verzinkt
        Passend für:
        
        EDUARD
        Schwenkbar:
        
        Sperrbolzen:
        
        Stützlast (kg):
        
        1300
        Verstellbar:
        
        Vierkant (mm):
        
        60
        Kundenmeinungen
Keine Bewertungen gefunden
 
    
             
 
 
 
 
